Sprężarka półhermetyczna tłokowa CDS101B

  • Parametry techniczne
  • Wydajność chłodnicza i pobór mocy
  • Koperty pracy
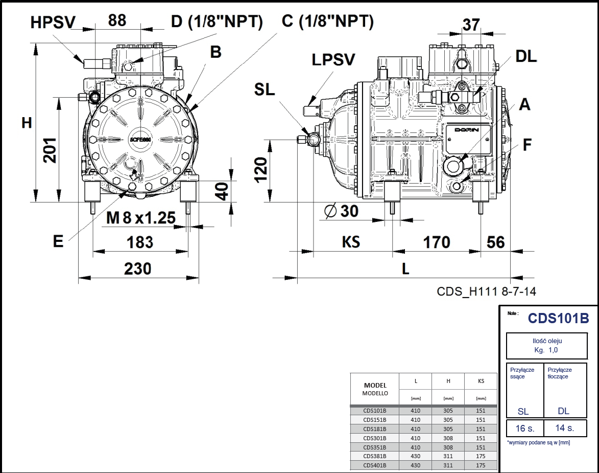
  • Rysunek techniczny
  • Do pobrania
  • Seria: CDS11
  • Model: CDS101B
  • Tryb pracy: Podkrytyczny
  • Wydajność przy 50Hz: 1.9 m³/h
  • Cylindry: 2
  • Zasilanie: 380-420/3/50 (Y)
  • Prąd blokady wirnika: 15.5 A
  • Max. prąd pracy: 2.9 A
  • Przyłącze sswane: 16 mm
  • Przyłącze tłoczne: 14 mm
  • Olej: 1 L
  • Rodzaj oleju: PAG 46
  • Waga netto: 42 kg