Sprężarka półhermetyczna inverterowa HI241CC

Zalety sprężarki HI241CC

  • konstrukcja półhermetyczna
  • bardzo wysoka jakość i wytrzymałość produktów
  • wykorzystanie najwyższej jakości komponentów
  • nadające się do pracy z czynnikami HFC i HFO
  • możliwość pracy w zakresie 20-90 Hz
  • większe oszczędności i dłuższa żywotność dzięki zmniejszeniu cykli ON/OFF
  • wyższy COP przy częściowym obciążeniu w porównaniu z systemami mechanicznego regulatora wydajności
  • możliwość doposażenia o dodatkowe akcesoria
  • Parametry techniczne
  • Wydajność chłodnicza i pobór mocy
  • Koperty pracy
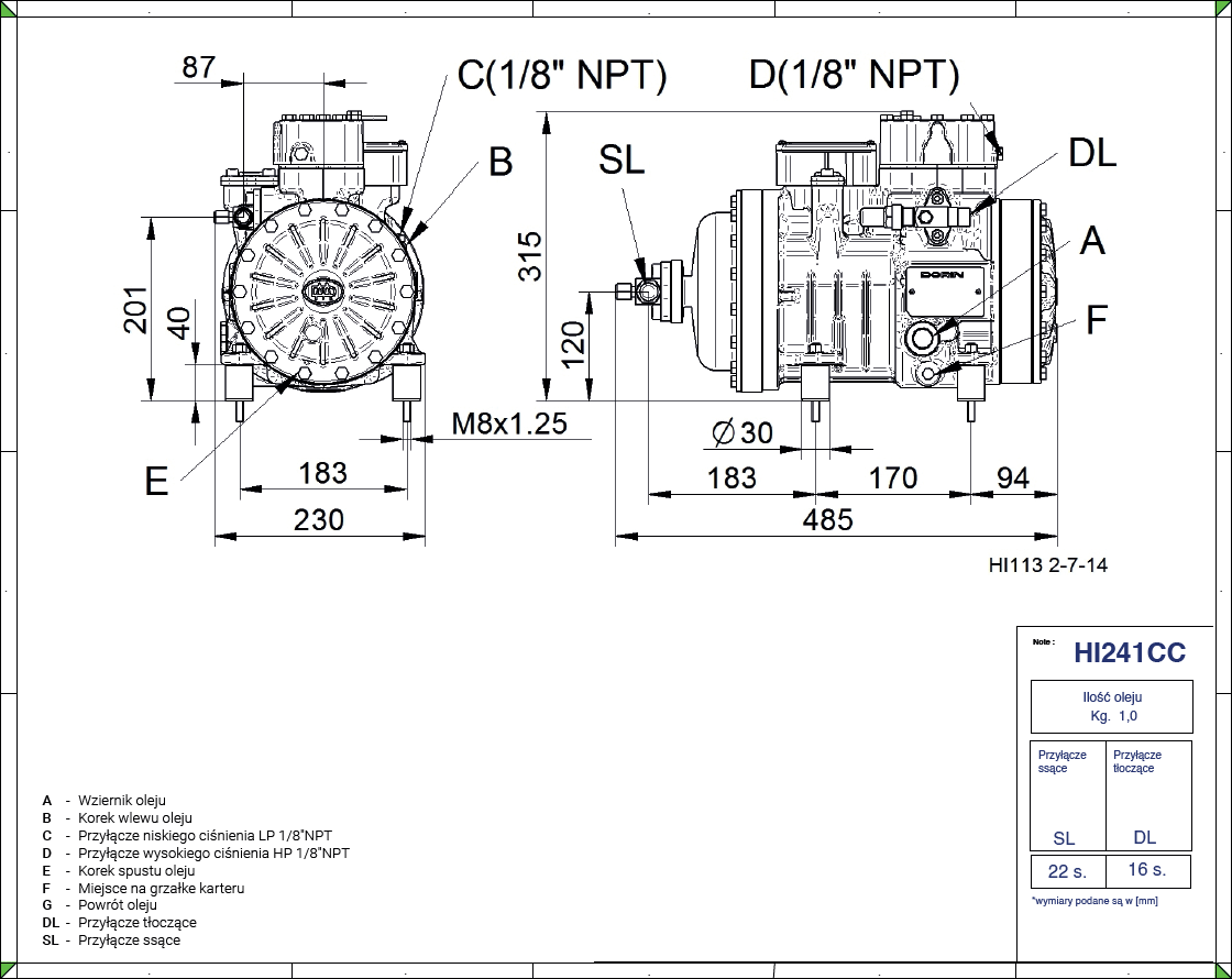
  • Rysunek techniczny
  • Wyposażenie
  • Do pobrania
  • Seria: HI11
  • Model: HI241CC
  • Wydajność przy 20Hz: 5.81 m³/h
  • Wydajność przy 50Hz: 9.52 m³/h
  • Wydajność przy 90Hz: 17.14 m³/h
  • Cylindry: 2
  • Zasilanie: 230-230 V / 3 / 20-90 Hz
  • Prąd blokady wirnika: 55 A
  • Max. prąd pracy: 12.6 A
  • Przyłącze sswane: 22 mm
  • Przyłącze tłoczne: 16 mm
  • Olej: 1 L
  • Rodzaj oleju: POE 46
  • Waga netto: 50 kg
  • Waga brutto: 53 kg

Wyposażenie standardowe:

Elektroniczna zabezpieczenie silnika (REL)

Fabryczne napełnienie olejem

Grzałka karteru (CH)

Wziernik oleju

Zawór tłoczący i ssący

Wyposażenie opcjonalne:

Głowica chłodzona wodą (WH)

Inverter

Samoregulująca grzałka karteru (TCH)

Wentylator głowicy (BF)