Sprężarka półhermetyczna tłokowa HEX80CC

Zalety sprężarki HEX80CC

  • konstrukcja półhermetyczna
  • Certyfikat ATEX  II 3G Ex ec h IIB T3 Gc
  • bardzo wysoka jakość i wytrzymałość produktów
  • wykorzystanie najwyższej jakości komponentów
  • nadające się do pracy z czynnikami HFC i HFO
  • możliwość pracy w zakresie 30-70 Hz
  • możliwość doposażenia o dodatkowe akcesoria
  • Parametry techniczne
  • Wydajność chłodnicza i pobór mocy
  • Koperty pracy
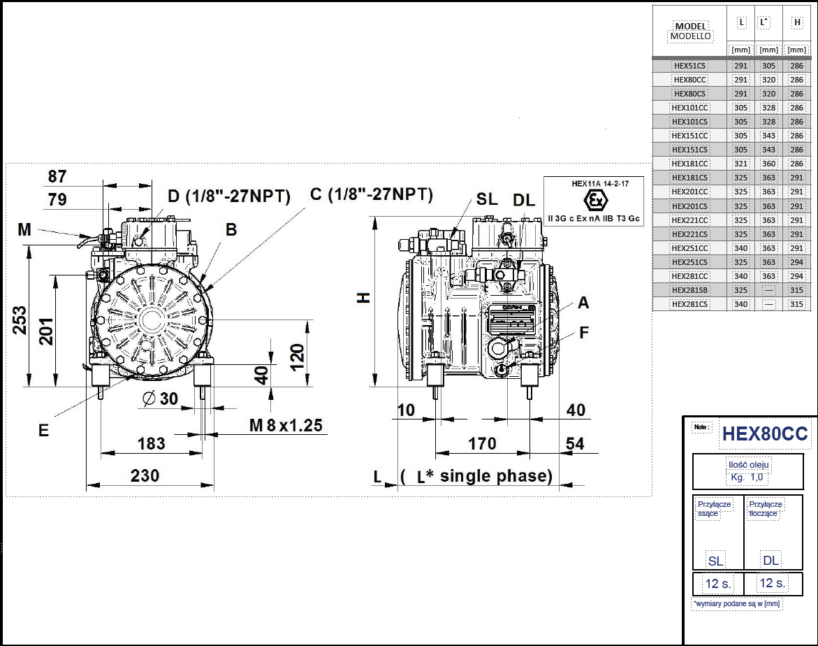
  • Rysunek techniczny
  • Wyposażenie
  • Do pobrania
  • Seria: HEX11
  • Model: HEX80CC
  • Wydajność przy 50Hz: 6.42 m³/h
  • Cylindry: 2
  • Zasilanie: 380-420/3/50 (Y)
  • Prąd blokady wirnika: 11.1 A
  • Max. prąd pracy: 1.4 A
  • Przyłącze sswane: 12 mm
  • Przyłącze tłoczne: 12 mm
  • Olej: 1 L
  • Rodzaj oleju: POE 32
  • Waga netto: 36 kg

Wyposażenie standardowe:

Czujnik maksymalnej temp. Tłoczenia (TMAX)

Elektroniczna zabezpieczenie silnika (REL)

Fabryczne napełnienie olejem

Grzałka karteru (CH)

Wziernik oleju

Zawór tłoczący i ssący