Zalety sprężarki HEX5500CC
- konstrukcja półhermetyczna
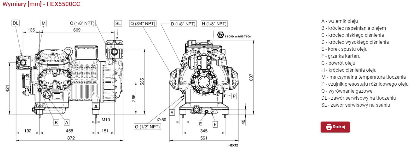
- Certyfikat ATEX II 3G Ex ec h IIB T3 Gc
- bardzo wysoka jakość i wytrzymałość produktów
- wykorzystanie najwyższej jakości komponentów
- nadające się do pracy z czynnikami HFC i HFO
- możliwość pracy w zakresie 30-70 Hz
- sprężarka z pompą olejową wyposażona w opatentowany układ powrotu oleju zapewniający niskie straty oleju
- możliwość doposażenia o dodatkowe akcesoria





