Sprężarka półhermetyczna tłokowa H700EP

Zalety sprężarki H700EP

  • konstrukcja półhermetyczna
  • bardzo wysoka jakość i wytrzymałość produktów
  • wykorzystanie najwyższej jakości komponentów
  • dedykowana dla czynnika R134a
  • możliwość pracy w zakresie 30-70 Hz
  • możliwość doposażenia o dodatkowe akcesoria
  • Parametry techniczne
  • Wydajność chłodnicza i pobór mocy
  • Koperty pracy
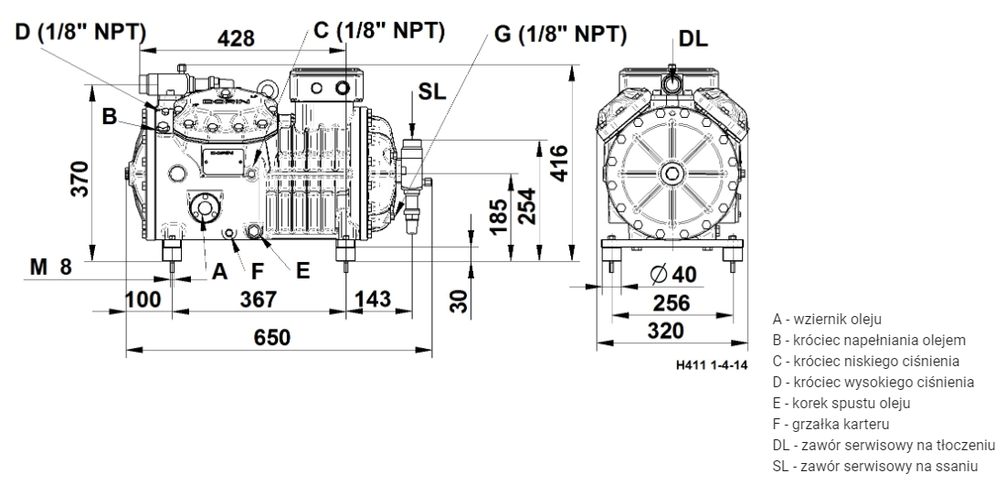
  • Rysunek techniczny
  • Wyposażenie
  • Do pobrania
  • Seria: HEP41
  • Model: H700EP
  • Wydajność przy 50Hz: 42.81 m³/h
  • Cylindry: 4
  • Zasilanie: 380-420 V / 3 / 50 Hz
  • Prąd blokady wirnika: 105 A
  • Max. prąd pracy: 20 A
  • Przyłącze sswane: 35 mm
  • Przyłącze tłoczne: 28 mm
  • Olej: 2.5 L
  • Rodzaj oleju: POE 32
  • Waga netto: 100 kg

Wyposażenie standardowe:

Elektroniczna zabezpieczenie silnika (REL)

Fabryczne napełnienie olejem

Grzałka karteru (CH)

Wziernik oleju

Zawór tłoczący i ssący