Advantages of the HEX3500CC compressor:
- Semi-hermetic construction.
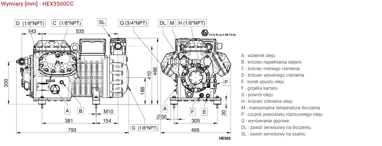
- ATEX certificate II 3G Ex ec h IIB T3 Gc.
- Very high quality and durability of the products.
- Utilization of the highest quality components.
- Suitable for operation with HFC and HFO refrigerants.
- Capability to operate in the range of 30-70 Hz.
- Option for additional accessories integration.





